
出色的精度,良好的线性度
抗外界干扰强,共模抑制比大
低温漂、功耗低、频带宽
穿孔结构,无插入损耗
自动化控制
测量仪表
铁路监控系统
站控制系统
| 规 格 | AC 30A/DC 20mA | AC 50A/DC 20mA | AC 100A/DC 20mA | 单位 | |
|---|---|---|---|---|---|
| IPN | 额定原边输入电流(AC) | 30 | 50 | 100 | A |
| IP | 原边电流测量范围(AC) | 0~45 | 0~75 | 0~150 | A |
| VSN | 额定副边输出电流(DC) | 20 | mA | ||
| VC | 电源电压 | +5/12/15/24 | V | ||
| IC | 电流消耗 | <10+Is | mA | ||
| Vd | 绝缘电压 | 原边与副边电路之间:2.5kV/50Hz/1min | |||
| εL | 线性度 | <0.2 | %FS | ||
| X | 精度 | TA=25℃时:≤±0.5 | % | ||
| I0 | 失调电流 | TA=25℃时:≤±50 | μA | ||
| IOT | 失调电流温漂 | VP=0 TA=-25~+80℃时:≤±0.01 | mA/℃ | ||
| Tr | 响应时间 | ≤250 | ms | ||
| f | 频带宽度 | -3dB 20~5000 | Hz | ||
| TA | 工作环境温度 | -25~+80 | ℃ | ||
| TS | 储存环境温度 | -45~+100 | ℃ | ||
| RL | 负载电阻 | TA =25℃时:≤300 | Ω | ||


传感器应正确接线,否则可能损坏传感器内部元件
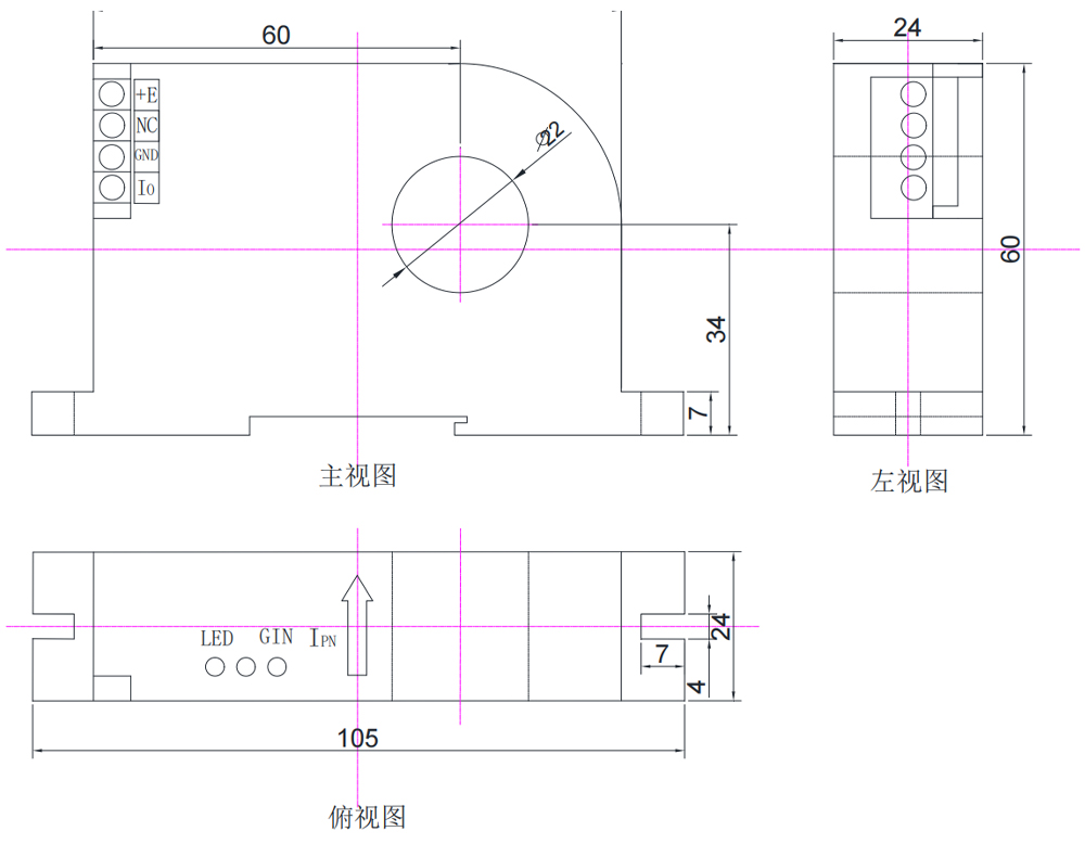
卡轨式安装